Каталог товаров
Датчики
Контрольно-измерительные приборы
Программируемые устройства
Программное обеспечение, устройства связи
Силовые и коммутационные устройства
- Блоки питания
- Дроссели
- Запорно-регулирующая арматура
- Микроклимат для шкафов управления
- Преобразователи частоты
- Промежуточные реле
- Регуляторы мощности
- Редукторы
- Твердотельные реле
- Тормозные резисторы
- Устройства коммутации
- Устройства контроля и защиты
- Устройства плавного пуска
- Электротехническое оборудование MEYERTEC
Электронные компоненты
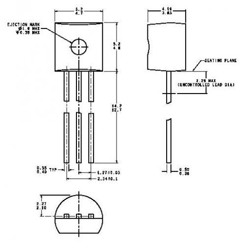
78L06
|
Корзина
Оформить заказ 









Товар есть в наличии

